車載DCDC轉換器
DC/DC 變換器,作為電動汽動力系統中很重要的一部分,它的一類重要功用是為動力轉向系統,空調以及其他輔助設備提供所需的電力。另一類,是出現在復合電源系統中,與超級電容串聯,起到調節電源輸出,穩定母線電壓的作用。

給車載電氣供電,DCDC在電動汽車電氣系統中的位置,如下圖所示。它的電能來自于動力電池包,去處是給車載用電器供電。

與超級電容配合使用的DCDC,在整車電源中的位置如下圖所示,它可能出現在圖(b)、(c)、(d)中所示位置上,而(b)是應用較多的一種形式。

什么是電氣隔離?
電氣隔離,就是將電源與用電回路作電氣上的隔離,即將用電的分支電路與整個電氣系統隔離,使之成為一個在電氣上被隔離的、獨立的不接地安全系統,以防止在裸露導體故障帶電情況下發生間接觸電危險。實現電氣隔離以后,兩個電路之間沒有電氣上的直接聯系。即,兩個電路之間是相互絕緣的。同時還要保證兩個電路維持能量傳輸的關系。電氣隔離的作用主要是減少兩個不同的電路之間的相互干擾,降低噪聲。
非隔離雙向DCDC,結構比較簡單,每個部件都是直接相連,沒有額外的能量損失,工作效率比較髙。對升壓側的電容要求比較高。主要的非隔離DCDC電路結構有雙向半橋boost-buck電路,雙向buck-boost電路,雙向buck電路,雙向Zate-Sepic電路,如下圖所示。

隔離型雙向DCDC,在非隔離型雙向DCDC轉換器的基礎上加上一個高頻變壓器就構成了隔離型雙向DCDC轉換器,高頻變壓器兩側的電路拓撲可以是全橋式、半橋式、推挽式等等。這幾種隔離型的雙向DCDC轉換器,采用了更多的功率開關,電壓變比大,帶電氣隔離等優點。但是這類DCDC轉換器結構復雜,成本也相對較高,轉換器的損耗高,低頻時會導致隔離變壓器鐵芯飽和,損耗會進一步增加。因此,非隔離型雙向DCDC轉換器比隔離型在電動汽車上運用更具有優勢。

當能量由高皮側流向低壓側時,雙向DCDC轉換器工作在BUCK模式;能量由低壓側流向高壓側時,雙向DCDC轉換器工作在BOOST工作模式。
主電路
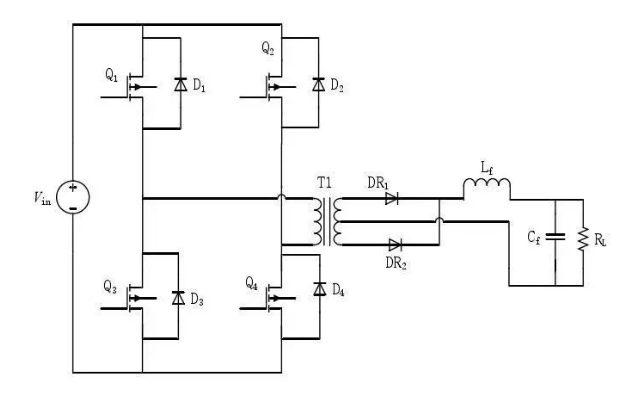
又叫做功率模塊,是整個DCDC的主體。一個典型的全橋型 DCDC 變換器主電路拓撲如下圖所示。

上圖中,Vin為輸入電壓,需要通過DCDC回路,在輸出端得到一個需要的輸出電壓。原邊開關電路,將輸入電流調制成矩形波,這個過程主要依靠控制器調制特定占空比的PWM波,用以驅動四個開關管按照既定的順序和時間開閉,從而實現電流逆變過程。原邊輸入電壓可以通過占空比調節,占空比增加輸出電壓也增加,占空比減小輸出電壓減小。頻率則可以通過調節開關頻率調節。T1位變壓器,變比你n。變壓器既可以實現電氣隔離,又可以起到電壓調節的作用。一個固定的原邊線圈匝數,副邊改變匝數,即可得到不同的電壓等級。變壓器的輸入,是經過左側全橋電路逆變得到的脈沖矩形波,傳遞到變壓器的副邊,得到的是另一個電壓幅值的交流正弦波。經過DR1和DR2整流以后,再經由Cf和Rl濾波處理,得到直流電,提供給輸出端。
驅動模塊
對于控制芯片輸出的四路 PWM 驅動信號來說,并不能直接驅動四個功率開關管。所以,一般來說,開關電源是需要配套一個驅動電路來驅動功率開關管。驅動電路種類很多,主要由以下三種:
直接耦合型:控制芯片的每一路輸出 PWM 驅動信號經過由兩個三極管組成的放大電路來驅動功率開關管。此種方法無法實現控制部分與主電路的隔離。
脈沖變壓器耦合型驅動電路:此電路是在直接耦合型的基礎上加上了一個脈沖變壓器,實現了控制電路與主電路的隔離。但是這種結構的缺點是,涉及到變壓器的設計、制作等方面,比較復雜。
驅動芯片的驅動電路:為了更加方便地來驅動功率開關管,很多公司研制出驅動芯片,驅動芯片可以輸出較大的功率,驅動開關管,而且隨著芯片的小型化發展,現在的驅動芯片體積非常小,有各種封裝形式。利用驅動芯片對功率開關管驅動,這種方法比較簡單,但是控制電路與主電路仍然沒有實現隔離。
控制模塊
主電路的反饋主要有三種控制模式:電壓控制模式,峰值電流控制模式,平均電流控制模式。
電壓控制模式:屬于電壓反饋,利用輸出電壓進行校正,是單環反饋模式,輸出電壓采樣與輸入基準電壓比較,得到的輸出信號與一鋸齒波電壓比較,輸出 PWM波信號。電壓控制模式設計以和運用都比較簡單,但是電壓控制模式沒有對輸出電流進行控制,有一定的誤差存在,并且輸出電壓先經過電感以及電容的濾波,使得動態響應比較差。
峰值電流控制模式:峰值電流控制模式與電壓控制模式的區別在于,峰值電流控制模式中,把電壓控制模式的那一路鋸齒波形,轉換成了電感的瞬時電流與一個小鋸齒波的疊加。但是電感的瞬時電流并不能表示平均電流的情況。
平均電流控制模式:屬于雙環控制方式,電壓環的輸出信號作為基準電流與電感電流的反饋信號比較。設置誤差放大器,可以平均化輸入電流的一些高頻分量,輸出的經過平均化處理的電流,再與芯片產生的鋸齒波進行比較,輸出合適的 PWM 波形。
電感電流和電容電壓因此需要對兩個變量都要進行PID整定,一個典型的控制流程如下圖所示。控制模塊是由兩個PID控制器組成,分別是電壓控制控制外環和電流控制內環,在流程圖中給出一個參考電壓,設計合理的參數,就可以很快速的達到控制系統的目的。

相比三種控制方式,平均電流的控制方式不限制占空比,對輸出電壓和電感電流均進行反饋,有比較好的控制效果。采用平均電流控制方式進行反饋電路的設計時,把電流環是看作電壓環的一部分。
DCDC中的硬開關與軟開關有何區別?
硬開關和軟開關是針對開關管來講的。
硬開關是不管開關管(DS極或CE極)上的電壓或電流,強行turn on或turn off開關管。當開關管上(DS極或CE極)電壓及電流較大時開關管動作,由于開關管狀態間的切換(由開到關,或由關到開)需要一定的時間,這會造成在開關管狀態間切換的某一段時間內電壓和電流會有一個交越區域,這個交越造成的開關管損耗稱為開關管的切換損耗。
軟開關是指通過檢測開關管電流或其他技術,做到當開關管兩端電壓或流過開關管電流為零時才導通或關斷開關管,這樣開關管就不會存在切換損耗。
一般來說軟開關的效率較高(因為沒有切換損);操作頻率較高,PFC或變壓器體積可以減少,所以體積可以做的更小。但成本也相對較高,設計較復雜。

進一步的,軟開關包括三種控制方式:雙極性控制,有限雙極性控制,移相全橋控制,得到的矩形波波形如下圖所示。

Q1 和 Q3 為超前橋臂上的開關管,屬于同一橋臂,而 Q1 和 Q4 為對角的開關管,分別屬于兩個橋臂。第一種控制方式為硬開關,第二和第三種均可以實現軟開關,但是第三種的控制方式較靈活,比較容易實現。
由于對功率密度越來越高的要求,可以通過提高頻率來提高功率性能的軟開關類DCDC是當前研究的主要方向。軟開關包括3種主要控制方式:ZVS 移相全橋變換, ZCS 移相全橋變換,ZVZCS移相全橋變換。
每一個用電設備都有自身工作的額定電壓和額定電流,如果電動汽車中的用電設備經常處于非額定狀態下工作的話,會大大降低電能轉換效率,壽命受損甚至會導致設備損壞。因此,DCDC的規格與所在系統的需求相匹配,才能更好的發揮功能。一般的選型思路不是直接將全部電氣功率加在一起,因為他們可能并不是全部同時工作的。
根據純電動汽車車載電子設備的不同屬性,能把用電設備分為長期用電、連續用電、短時間間歇用電和附加用電設備種類型,并賦于不同的權值。其中,長期用電設備包括組合儀表和蓄電池,權值取1;連續用電設備包括雨刮、電機、音響系統和儀表照明等設備,權值可取0.5;短時間間歇用電設備包括電喇機、各類信號燈、控制器等設備,權值可取0.1;附加用電設備電動真空泵、電動水泵和電動轉向,權值根據實際情況分別取0.1、1、0.3。各類設備所消耗功率分析如表所示。

在復合電源系統中,超級電容一般都被定義成應對大功率的部分,放電過程,針對工況峰值,提供均值以上的部分;制動能量回收過程,承擔全部或者絕大部分回收電流的吸納。面對沖擊功率,DCDC在兩個方面的要求比較高。一個是反應速度,電池與超級電容并聯的電源回路中,制動能量從電機產生,通過母線向電源傳遞。如果DCDC的反應不夠靈敏,接通時間較長,則涌來的能量被DCDC隔離在超級電容以外,得不到吸納,只能由電池吸納,過大的功率會給電池帶來永久性的損傷。DCDC的另一個要求就是能夠承受瞬時大功率的沖擊,串聯在電容回路的DCDC,需要經常面對沖擊功率的工作狀態。因此,選擇與超級電容串聯在統一支路的DCDC,最重要的參數就是功率范圍,工作電壓和動作時間。



