模塊控制與驅動電路
來源: 發布時間:2018-06-05 14:10:23 1329 次瀏覽
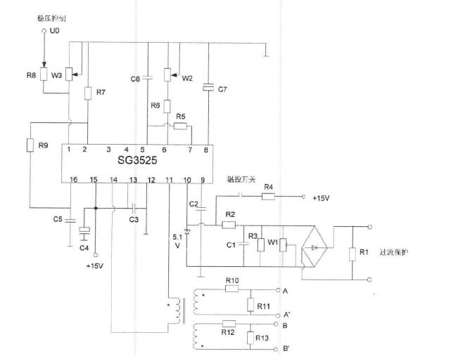
模塊控制與驅動電路如圖所示,其主要功能是給模塊變換器中的開關管提供控制與驅動信號
模塊控制與驅動電路中控制電路采用美國通用電氣公司的脈寬調制型控制芯片。該芯片的輸入電壓工作范圍是一,通常可選取。工作頻率是一,具有欠壓鎖定,過壓保護和軟啟動等功能,其主要參數的設計如下
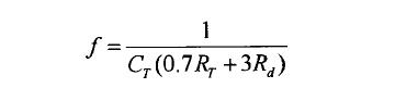
實際中我們選擇為的電阻,選擇的滑動變阻器,為貝的電阻,為的電容,代入式可以得到所以模塊控制與驅動模塊的頻率可以在一的工作范圍內調制,考慮半橋的實際工作條件,我們選擇在一范圍內工作。

模塊控制與驅動電路中控制電路采用美國通用電氣公司的脈寬調制型控制芯片。該芯片的輸入電壓工作范圍是一,通常可選取。工作頻率是一,具有欠壓鎖定,過壓保護和軟啟動等功能,其主要參數的設計如下

本文設計的模塊控制與驅動模塊,工作頻率是由芯片的腳、腳和腳外接的電阻與電容來確定。如圖所示,其中電阻和滑動變阻器組成,電容即為,為。根據計算公式可以知道

實際中我們選擇為的電阻,選擇的滑動變阻器,為貝的電阻,為的電容,代入式可以得到所以模塊控制與驅動模塊的頻率可以在一的工作范圍內調制,考慮半橋的實際工作條件,我們選擇在一范圍內工作。



